Bei vielen Projekten müssen wir die Produkte erst in Abstimmung mit unseren Kunden entwickeln. Unsere Engineeringabteilung ist ausgestattet mit einer modernen EDV-Umgebung - fast alle größeren Projekte werden in 3D konstruiert.

Die Konstruktionen werden auf AutoCad® in 2D und auf Inventor® in 3D erstellt.

Zu den gelieferten Produkten werden Dokumentationen nach Kundenwunsch in elektronischer und gedruckter Form geliefert.

NH3
Ofenbox
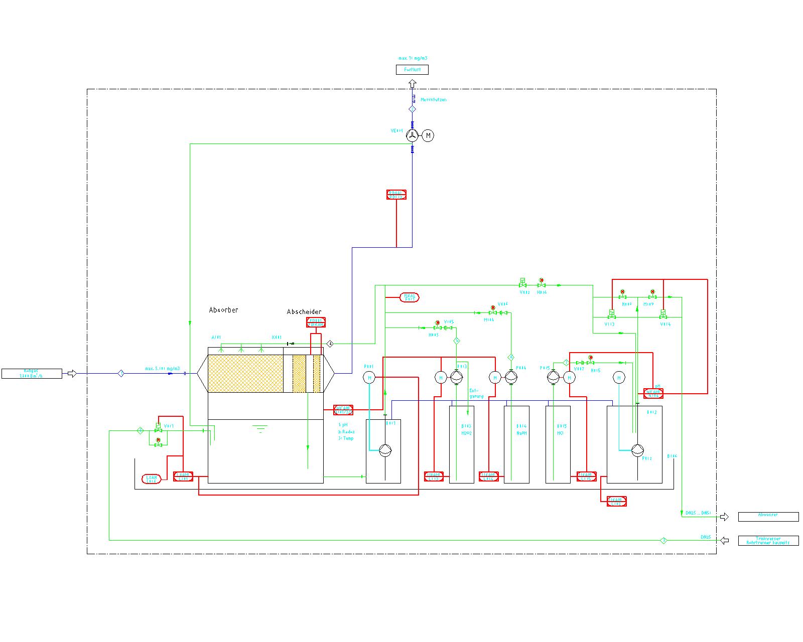
PID
Schraegansicht2
Vietnam - Ebene 14000-1
1/5 
start stop bwd fwd

Häufig begleiten wir auch die Inbetriebnahme unserer Anlagen und Apparate und stehen unserem Kunden bei dieser zur Seite.

Speziell bei Abluftanlagen führen wir Inspektionen durch. Hier ist sehr häufig viel Potential Altanlagen wirtschaftlicher zu betreiben oder nachzurüsten, um die Betriebskosten zu senken, oder den behördlichen Auflagen langfristig Genüge zu tun.